In retrospect, this is one of the most unlikely guitar projects I’ve undertaken. I am not generally interested in relic guitars, which have become quite a thing. Trying to appear genuine by faking authenticity seems dishonest to me. And yet when I start a guitar project, there must be a solid vision behind it and this is no less true on this project.
I love the color blue and I wanted to build a blue guitar but I wanted strongly contrasting blues, light and dark, each to accent the other. I also wanted to build a Telecaster Deluxe – my favorite Tele style – with dual humbuckers and independent volume and tone controls per pickup. After some messing around, I ended up with a digital mockup in which a dark blue outer coat appears to have rubbed off a light blue inner coat.
My goal was never to build a relic – I just like these colors and these contrasts. You can think of it as a ‘faux relic’ look. A fake relic. Nobody would actually think this was old and worn so nobody will think I am trying to build something which will really pass for old and worn. To emphasize this faux approach and to assert that the look is just that, a look and nothing more, after painting it, a hard, glossy clear coat is laid down over top of the paint work.
But I like the ‘faux relic’ idea and so I included other touches to accentuate this point. I put a vintage satin tint on the birdseye maple neck, to suggest age. I installed antique copper tuners and I used as much pure brass hardware as I could find. Unfinished, unplated brass will corrode with time and so this guitar’s appearance will continue to evolve, hopefully in a consistent direction.
Here is a shot comparing the digital mock-up to the actual painted body. The paint and finish work on the body was done by a friend who is also a professional artist.

Here is the body after clear coating. Going through both layers of paint to the raw wood was intentional π


Those antique copper tuning machines on the vintage maple neck…


As I am sure you know, with two humbuckers, two volume knobs, and two tone controls, there are many ways to wire it all together. Traditionally Gibson used a wiring scheme (that was also used on Telecaster Deluxes) which had an anomaly such that when both pickups were selected, rolling off either volume knob to zero silenced the guitar. This always annoyed me – if each volume control was for a specific pickup, the other volume control should not affect it. But that’s the way the guitars were wired. So I designed this guitar’s wiring such that the volume controls were completely independent. Selecting both pickups and turning one volume to zero does not affect the other pickup. Here was my wiring diagram.

I also decided to use TV Jones pickups on this guitar. Not much science here: I like Brian Setzer and I like the TV Jones look π

Partial progress wiring things up:



Et voila!







Update January, 2020: Through some sort of miscalculation, I initially chose a brass bridge with what’s commonly referred to as the ‘Vintage Strat’ drill and string hole pattern. After drilling the body for this pattern and after assembling the guitar, I realized I had a major problem – the string-to-string spacing was too large and the high e string not only didn’t sit properly on top of the pickup, but it almost was off the neck. Not really playable.
What I needed was the ‘American Standard’ drill and string hole pattern. You can see these two patterns up close below. The top pattern is the ‘Vintage’ setup. The bottom pattern is the ‘Standard’ setup I needed.

So what to do? I managed to connect with the person behind Twangmart, a Hungarian guitar store and he decided to help me create a hybrid hardtail bridge out of brass. Initially I described the problem by sending this image of the two bridges superimposed:

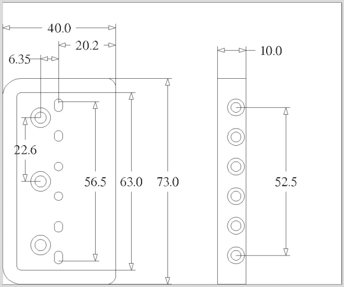
Our goal was to design a bridge with the Vintage mount hole spacing (so it would be a bolt-in replacement) but with string holes that would accept either spacing, Vintage or Standard. This was the design which was built by Twangmart.



And, after installing this new bridge on the guitar:


This guitar is finally finished the way I originally envisioned.
Ciao.
Categories: music